该系列电源滤波器为EMC暗室等设施的专用配套,能有效的抑制辐射干扰和传导干扰。

该系列电源滤波器为EMC暗室等设施的专用配套,能有效的抑制辐射干扰和传导干扰。
| 额定电压 VR(单相) | 250VAC/500VDC | 线-线/线-地 |
| 额定电压 VR(三相) | 440VAC | 线-线 |
| 250VAC | 线-地 | |
| 工作频率 fR | DC -60 Hz | |
| 额定电流 IR | 见特性 | 环境温度+40℃ |
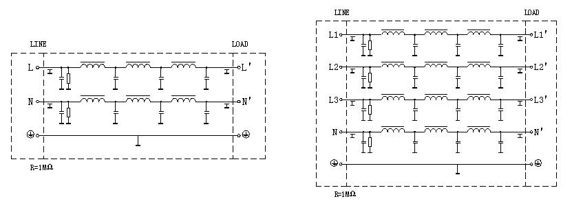
| 线数 | 2 or 4 | |
| 插入损耗 MIL-STD-220C | 见特性 | 14kHz – 40GHz |
| 直流电阻 | 见特性 | 每根线 |
| 功耗 | 见特性 | 额定电流 |
| 耐压试验 | 1200Vdc/2s | 线-线/线-地 |
| 电压降 ΔV | <1% | 额定工作条件 |
| 泄漏电流 ILeakage | 见特性 | 额定工作条件 |
| 容性电流 IReactive | 见特性 | 额定工作条件 |
| 放电时间(< 34V) | 30s | |
| 气候类别 | 25/070/21 |
| 型号 | 额定电流 | 泄漏电流(A)* | 容性电流 (A) | 直流电阻 | 功耗 | 接线方式 | 插入损耗 |
| (A) | (Ω) | (w) | (dB) | ||||
| PF282C-16 | 2×16 | 3.5 | 3.5 | <70 | <40 | M6螺杆 | 100dB,14K~40G |
| PF282C-32 | 2×32 | 5 | 5 | <20 | <40 | M6螺杆 | |
| PF282C-63 | 2×63 | 5 | 5 | <15 | <90 | M6螺杆 | |
| PF282C-100 | 2×100 | 9 | 9 | <5 | <120 | M12螺杆 | |
| PF282C-150 | 2×150 | 9 | 9 | <3 | <140 | M12螺杆 | |
| PF482C-16 | 4×16 | 0.7 | 3.5 | <70 | <70 | M6螺杆 | |
| PF482C-32 | 4×32 | 0.9 | 5 | <20 | <80 | M6螺杆 | |
| PF482C-63 | 4×63 | 0.9 | 5 | <15 | <170 | M6螺杆 | |
| PF482C-100 | 4×100 | 1.7 | 9 | <5 | <220 | M12螺杆 | |
| PF482C-150 | 4×150 | 1.7 | 9 | <3 | <270 | M12螺杆 | |
| PF182C-200 | 200 | 9 | 9 | <2.5 | <120 | M12螺杆 |
*零地电压为 0V

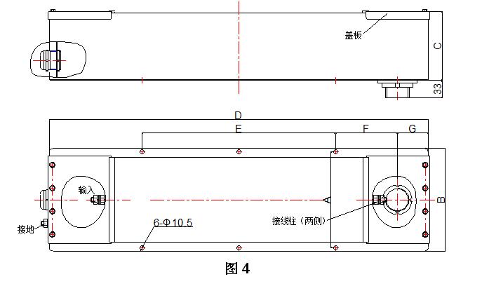
| 型号 | A | B | C | D | E | F | G | 安装方式 | 外形图 |
| PF282C-16 | 188 | 205 | 120 | 750 | 450 | 110 | 80 | M24波导管 | 1 |
| PF282C-32 | |||||||||
| PF282C-63 | 188 | 205 | 140 | 920 | 620 | 110 | 80 | M33波导管 | 1 |
| PF282C-100 | 288 | 305 | 180 | 1180 | 800 | 110 | 80 | M60波导管 | 1 |
| PF282C-150 | |||||||||
| PF482C-16 | 288 | 305 | 120 | 750 | 450 | 110 | 80 | M33波导管 | 2 |
| PF482C-32 | |||||||||
| PF482C-63 | 348 | 365 | 140 | 920 | 620 | 110 | 80 | M33波导管 | 2 |
| PF482C-100 | 348 | 365 | 180 | 1480 | 1000 | 160 | 80 | M60波导管 | 3 |
| PF482C-150 | |||||||||
| PF182C-200 | 253 | 270 | 240 | 1330 | 800 | 185 | 80 | M60波导管 | 4 |